Описание
Характеристики
Отзывы
Описание
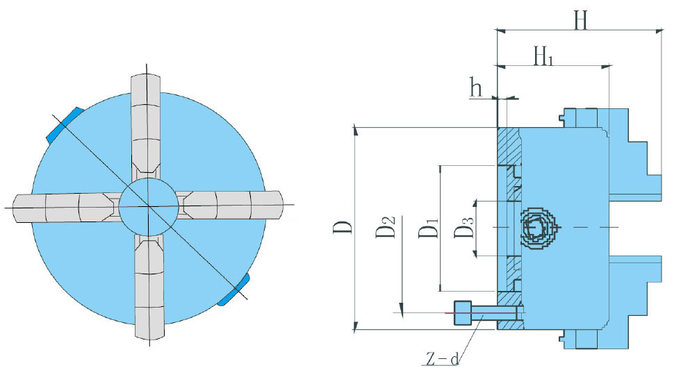
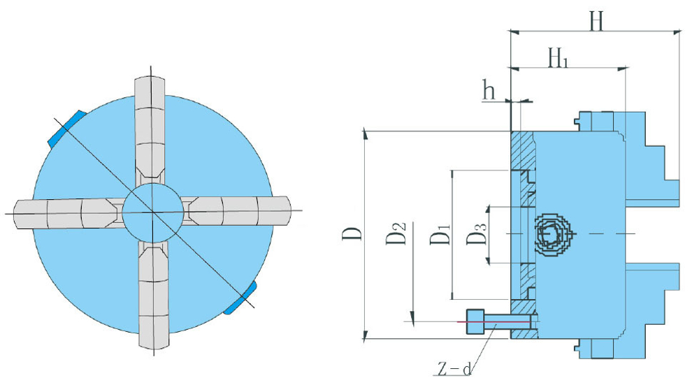
Токарный патрон San Ou, 4-х кулачковый, самоцентрирующийся, диаметр 250 мм (10ʺ), серия K12.
Конструкция патрона: спирально-реечный самоцентрирующийся, с цельными кулачками
Посадка: Тип 1 − цилиндрическая через переходной фланец (планшайбу) по ГОСТ 24351 (DIN6350), не входит в комплект поставки.
В комплект поставки входит: комплект прямых каленых, комплект каленых реверсивных (обратных) кулачков, ключ, комплект крепежа.
Материал: Чугун.
Размеры:
D - 250 мм
D1 - 206 мм
D2 - 226 мм
D3 - 80 мм
H - 124 мм
H1 - 80 мм
h - 5 мм
Z-d - 3-M12
Max. Input torque - 320 Нм
Max. Speed - 1600 об/мин
Характеристики
Бренд
SANOU
Диаметр
250
Тип патрона
К12
Отзывы
Отзывов еще никто не оставлял
