Описание
Характеристики
Отзывы
Описание
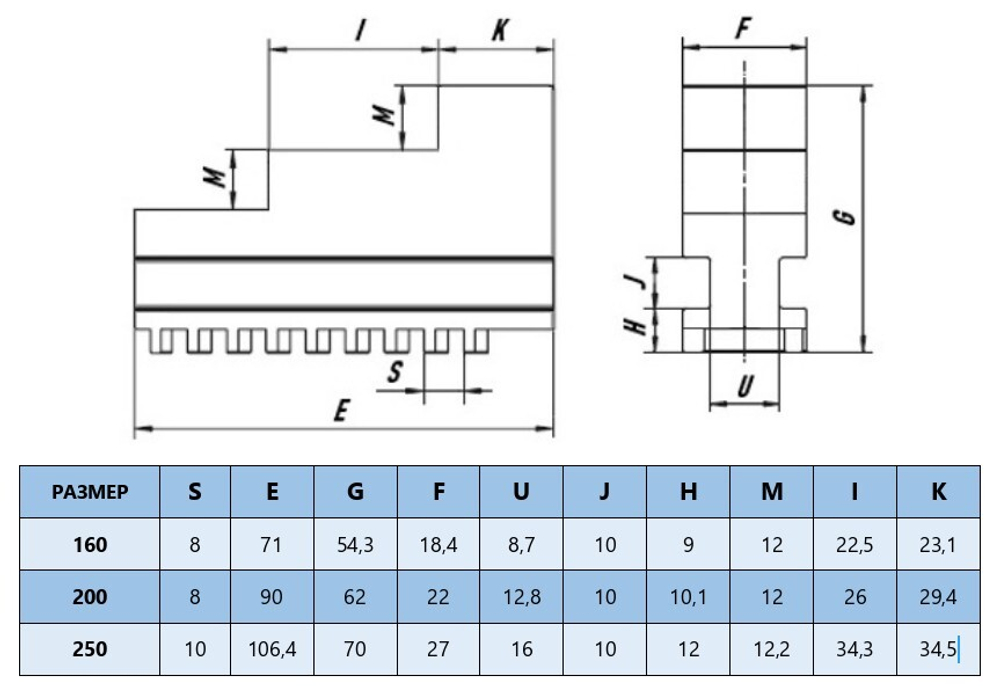
Кулачки сырые обратные (ступеньки) 315 мм К11 цельные YTUM. Поставляются комплектом из 3-х штук.
Китайский завод Yantai Universal Machine Tool Equipment, Ltd. использует в своих изделиях стандарт патронов К11. Следует учесть, что данные кулачки могут не подойти для патронов других стандартов. Поэтому перед покупкой обязательно проверьте параметры.
Диаметр патрона, мм: 315;
Высота (В), мм: 86;
Длина (А), мм: 126;
Ширина (С), мм: 36;
Ширина паза (D), мм: 13;
Ширина основания (Е), мм; 13.5;
Высота ступени (H), мм: 17;
Длина ступени (F), мм: 42;
Длина ступени (G), мм: 42;
Шаг (S), мм: 11.
Характеристики
Диаметр патрона
320
Тип патрона
К11
Тип кулачков
Сырые, ступеньки
Отзывы
Отзывов еще никто не оставлял
