Описание
Характеристики
Отзывы
Описание
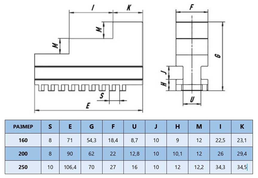
Кулачки сырые обратные (ступеньки) 250 мм К11 цельные YTUM. Поставляются комплектом из 3-х штук.
Китайский завод Yantai Universal Machine Tool Equipment, Ltd. использует в своих изделиях стандарт патронов К11. Следует учесть, что данные кулачки могут не подойти для патронов других стандартов. Поэтому перед покупкой обязательно проверьте параметры.
Диаметр патрона, мм: 250;
Высота (В), мм: 73;
Длина (А), мм: 105;
Ширина (С), мм: 27;
Ширина паза (D), мм: 10;
Ширина основания (Е), мм; 11,8;
Высота ступени (H), мм: 14;
Длина ступени (F), мм: 35;
Длина ступени (G), мм: 35;
Шаг (S), мм: 10.
Характеристики
Диаметр патрона
250
Тип патрона
К11
Тип кулачков
Сырые, ступеньки
Отзывы
Отзывов еще никто не оставлял
