Описание
Характеристики
Отзывы
Описание
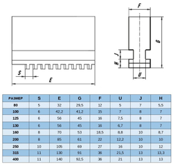
Кулачки сырые квадрат 160 мм К11 цельные для токарных 3-х кулачковых патронов диаметром 160 мм. Отличаются от стандартных прямых и обратных кулачков тем, что есть возможность проточить форму под конкретную деталь. Используются там где есть риск деформации детали в месте зажима кулачками. Конструктивно выполнены как цельная деталь в форме прямоугольника. Подвергается термообработке только присоединительная часть кулачка.
Предназначены для установки на патроны серии К11. Данный стандарт применяет на своих изделиях Китайский завод Yantai Universal Machine Tool Equipment, Ltd. Данные кулачки могут не подходить под другие стандарты патронов. Перед покупкой проверьте параметры. Геометрические параметры приведены в таблице.
Поставляются комплектом (3 штуки).
Характеристики
Диаметр патрона
160
Тип патрона
К11
Тип кулачков
Сырые, квадрат
Отзывы
Отзывов еще никто не оставлял
